Hello,
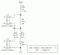
Newbie question I have a device that have two SPST relays that I control. From these relays, I would like to control the ON/OFF states of two LEDs (red and green) and a high/low brightness state. This gives four possibilities:
So far, I can imagine using a relay to divide the current and the other relay to turn ON/OFF a single LED. But that's half of the job and using a Arduino for that feature seems overkilled. Any help would be much appreciated.
Thanks in advance!
Newbie question I have a device that have two SPST relays that I control. From these relays, I would like to control the ON/OFF states of two LEDs (red and green) and a high/low brightness state. This gives four possibilities:
- Red High brightness
- Red Low brightness
- Green High brightness
- Green Low brightness
So far, I can imagine using a relay to divide the current and the other relay to turn ON/OFF a single LED. But that's half of the job and using a Arduino for that feature seems overkilled. Any help would be much appreciated.
Thanks in advance!
