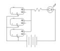
Hello! I am hoping someone can help me with a wiring issue. I have created a string of LED lights, and I have a 12V power source. Hooking those up will not be a problem, but I want to mount the lighting into a small compartment that has 3 different (small) doors. Is it possible to attach the light strand to three different momentary switches (one to each door) so that the string of lights will light up if any one of the three doors are open? I don't have a circuit board, and would prefer to keep it as simple (analog?) as possible. My only prior experience with LED lighting/wiring is for little miniature house kits that I assembled as a pandemic hobby.









