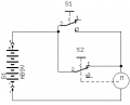
I'm trying to design a circuit where a motor attached to a reciprocating arm is activated by the release of a spdt but when you depress switch again the arm keeps going until the arm hits a second switch that is normally kept depressed when the system is at it's rest state. It's a DC system about 9v and I'm just not able to figure it out. Can anyone help?
