Step level indicator

Thread Starter

Martyk

Joined Jul 23, 2009
69
Hi everyone.

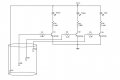
I'm looking for a circuit for 3-step level indication similar to this, but with only one LED on at a time (like traffic lights).
And hopefully using discrete components.
TIA

1759632336230.jpeg
 

dl324

Joined Mar 30, 2015
18,291
The circuit you posted can have only one LED on at a time. It just depends on the signals M2-4.

How about drawing a block diagram of what you want instead of posting a "similar" circuit?
 

AnalogKid

Joined Aug 1, 2013
12,093
There is a way that is very similar to the circuit you have, but it requires careful LED selection to achieve approximately equal brightnesses.

Also, it uses a trick that works better with higher voltages. What is the value of Vcc?

ak
 

Hamlet

Joined Jun 10, 2015
560
But what is to stop the first led from turning back on when D3 LED lights, and shunts the base of Q2, turning it off, resulting in the shunt comprised of D4 becoming inactive, allowing D1 to illuminate again?
 

crutschow

Joined Mar 14, 2008
38,426
Below is the circuit LTspice sim with the bug :oops: corrected:
I increased the value of the collector resistors to reduce the LED current below 10mA for the 5V source I used.

1759681292645.png
 

schmitt trigger

Joined Jul 12, 2010
2,056
Are you planning to build it? If so, you must be aware of an issue with this circuit.

In the early 1980s, I used to have a fiberglass shop, where I made water storage tanks which sold as pancakes in the drought-stricken city where I lived.
To differentiate my products from the competitors, and being an electronic engineer myself, I would include a similar water-level indicator that I had designed and built.
Even with a sensor current below 1 mA, the electrodes would corrode quite rapidly due to electrolysis.
To resolve this issue, I used mosfets instead of bipolar transistors, to reduce the sensing current to about 5 microamps, which would allow the electrode to last well over 2 years.
 

Thread Starter

Martyk

Joined Jul 23, 2009
69
Thanks for the info.
I will be using aluminum electrodes in distilled water, so I didn't think this would be a problem.
 
Top