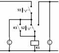
I am currently working on a project (Tesla Coil) and I built a very simple controller which connects to the neon sign transformer (NST). First there is a main switch which connects to the 120V mains and then a second "activate" switch which provides power to the NST. This is the current design which is working fine:

However, I want to improve upon this for two reason:
1. I eventually want to integrate a PIC microcontroller which can record the run time (in V2)
2. With the current design, if the first switch is already closed, then if the second switch is closed, power will immediately flow to the circuit.
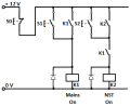
With my V1 design I am trying to resolve that second concern. I am trying to design a circuit which:
1. If Switch 2 is closed and Switch 1 is switched from open to closed, no power will flow though the second lamp/to the NST outputs
2. If Switch 2 is open and Switch 1 is switch from open to closed, and then Switch 2 is closed, power will flow as it would in the above circuit
Basically the requirements to get output power should be:
1. Both switch must start Open
2. Switch 1 must be closed first
3. Switch 2 must be closed AFTER Switch 1 is closed.
4. If Switch 1 is closed, and then opened, closing Switch 2 does nothing (i.e., no output power)
My thought is that I will need some kind of latch to save the states of the switches and combine the logic to figure out the order the switches were opened/closed; although I admit I am not 100% sure that this would even be possible, but I assume there is some way. I attempted to model something in Multisim using Triacs and latches but couldn't get it working. I am kind of stuck here:

I been searching Google but haven't found anything about this without using a microcontroller. The only reason I was currently avoid this at the moment, is because I would probably need to upgrade the one I am currently using because most of the ports will probably be used for additional buttons, LCD screen, etc. so if I can do this with basic components/logic gates, it is preferable.
Any suggestions/links to similar circuits would be greatly appreciates. TIA.
NOTES:
1. The lamps I am using are LED indicator lamps designed to run directly on AC power without any resistors/caps
2. NST input current is 6A

However, I want to improve upon this for two reason:
1. I eventually want to integrate a PIC microcontroller which can record the run time (in V2)
2. With the current design, if the first switch is already closed, then if the second switch is closed, power will immediately flow to the circuit.
With my V1 design I am trying to resolve that second concern. I am trying to design a circuit which:
1. If Switch 2 is closed and Switch 1 is switched from open to closed, no power will flow though the second lamp/to the NST outputs
2. If Switch 2 is open and Switch 1 is switch from open to closed, and then Switch 2 is closed, power will flow as it would in the above circuit
Basically the requirements to get output power should be:
1. Both switch must start Open
2. Switch 1 must be closed first
3. Switch 2 must be closed AFTER Switch 1 is closed.
4. If Switch 1 is closed, and then opened, closing Switch 2 does nothing (i.e., no output power)
My thought is that I will need some kind of latch to save the states of the switches and combine the logic to figure out the order the switches were opened/closed; although I admit I am not 100% sure that this would even be possible, but I assume there is some way. I attempted to model something in Multisim using Triacs and latches but couldn't get it working. I am kind of stuck here:

I been searching Google but haven't found anything about this without using a microcontroller. The only reason I was currently avoid this at the moment, is because I would probably need to upgrade the one I am currently using because most of the ports will probably be used for additional buttons, LCD screen, etc. so if I can do this with basic components/logic gates, it is preferable.
Any suggestions/links to similar circuits would be greatly appreciates. TIA.
NOTES:
1. The lamps I am using are LED indicator lamps designed to run directly on AC power without any resistors/caps
2. NST input current is 6A


