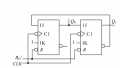
I encountered this question when leanring JK Flip-Flop.
MOD NOTE: Moved to Homework Help.
Can someone please explain how to do it?
MOD NOTE: Moved to Homework Help.
Last edited by a moderator:










