Hi,
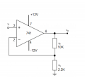
I built a LM741 based non-inverting amplifier circuit exactly as it is shown in textbooks (figure below). I was expecting it to amplify a 1 Volt (peak) sine wave to about a 5 Volt (peak) sine wave. Instead the output is a steady 11 Volts DC (saturation). I am surprised.

I simulated this circuit using NgSpice. The netlist is listed below along with the LM741 library file. The simulation works correctly. I would be grateful for a hints on what may be going wrong here or a link to any article.
thank you
I built a LM741 based non-inverting amplifier circuit exactly as it is shown in textbooks (figure below). I was expecting it to amplify a 1 Volt (peak) sine wave to about a 5 Volt (peak) sine wave. Instead the output is a steady 11 Volts DC (saturation). I am surprised.

I simulated this circuit using NgSpice. The netlist is listed below along with the LM741 library file. The simulation works correctly. I would be grateful for a hints on what may be going wrong here or a link to any article.
thank you
NgSpice non inverting OpAmp:
.lib lib/amp.lib opamp
X741 1 2 3 4 5 LM741
RF 5 2 10k
R1 2 0 2.2k
vin 1 0 sin(0 1v 1kHz)
Vcc 3 0 dc 12V
Vee 4 0 dc -12V
.control
tran 0.01ms 4ms
plot v(5), v(1)
.endc
.end
OpAmp Library:
.lib OPAMP
*=========
*LM741 Operational Amplifier Macro-Model
*---------------------------------------
*
* connections:
* non-inverting input
* | inverting input
* | | positive power supply
* | | | negative power supply
* | | | | output
* | | | | |
* | | | | |
.SUBCKT LM741 1 2 99 50 28
*
* Features:
* Improved performance over industry standards
* Plug-in replacement for LM709,LM201,MC1439,748
* Input and output overload protection
*
* INPUT STAGE
*
IOS 2 1 20N
* Input offset current
R1 1 3 250K
R2 3 2 250K
I1 4 50 100U
R3 5 99 517
R4 6 99 517
Q1 5 2 4 QX
Q2 6 7 4 QX
*Fp2=2.55 MHz
C4 5 6 60.3614P
*
* COMMON MODE EFFECT
*
I2 99 50 1.6MA
* Quiescent supply current
EOS 7 1 POLY(1) 16 49 1E-3 1
*Input offset voltage.^
R8 99 49 40K
R9 49 50 40K
*
* OUTPUT VOLTAGE LIMITING
V2 99 8 1.63
D1 9 8 DX
D2 10 9 DX
V3 10 50 1.63
*
* SECOND STAGE
*
EH 99 98 99 49 1
G1 98 9 5 6 2.1E-3
*Fp1=5 Hz
R5 98 9 95.493MEG
C3 98 9 333.33P
*
* POLE STAGE
*
*Fp=30 MHz
G3 98 15 9 49 1E-6
R12 98 15 1MEG
C5 98 15 5.3052E-15
*
* COMMON-MODE ZERO STAGE
*
*Fpcm=300 Hz
G4 98 16 3 49 3.1623E-8
L2 98 17 530.5M
R13 17 16 1K
*
* OUTPUT STAGE
*
F6 50 99 POLY(1) V6 450U 1
E1 99 23 99 15 1
R16 24 23 25
D5 26 24 DX
V6 26 22 0.65V
R17 23 25 25
D6 25 27 DX
V7 22 27 0.65V
V5 22 21 0.18V
D4 21 15 DX
V4 20 22 0.18V
D3 15 20 DX
L3 22 28 100P
RL3 22 28 100K
*
***************MODELS USED**************
*
.MODEL DX D(IS=1E-15)
.MODEL QX NPN(BF=625)
*
.ENDS
.endl OPAMP
Last edited:


