Hi Forum,
looking for help with rectifier (schottky) diode setup for a 12-14VDC automotive setup.
scenario
4 door with earth trigger switch. have a passenger side and drivers side courtesy light which should operate independently (e.g. when either passenger door opens the light is triggered (ground side of 12vdc LED light completes the circuit) as the same for the Driver side (all good so far). The challenge is all doors need to be connected to the input trigger for an alarm system which when open and armed will set off the siren. This requires both of the 'set' of door triggers to be combined to one single wire to the alarm and by doing so will have all courtesy lights illuminate regardless of door open.
Question:
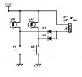
will 2 x rectifier (schottky) diode isolate and allow the lights to work as well as the alarm trigger?
And if so what orientation is needed (see diagram)
looking for help with rectifier (schottky) diode setup for a 12-14VDC automotive setup.
scenario
4 door with earth trigger switch. have a passenger side and drivers side courtesy light which should operate independently (e.g. when either passenger door opens the light is triggered (ground side of 12vdc LED light completes the circuit) as the same for the Driver side (all good so far). The challenge is all doors need to be connected to the input trigger for an alarm system which when open and armed will set off the siren. This requires both of the 'set' of door triggers to be combined to one single wire to the alarm and by doing so will have all courtesy lights illuminate regardless of door open.
Question:
will 2 x rectifier (schottky) diode isolate and allow the lights to work as well as the alarm trigger?
And if so what orientation is needed (see diagram)
Attachments
-
35.6 KB Views: 27
