Piezoelectric signal to pulse

Thread Starter

spokenwurds

Joined Aug 6, 2023
43
Help!!!

I need to know how to control the voltage spike from a piezoelectric sensor when pressure is applied.

Essentially i’m using it to trigger a clk input of a decade counter. But because of the nature of the AC circuit and the pressure length. The voltage bounces making the clk jump forward pins
 

Alec_t

Joined Sep 17, 2013
15,113
Welcome to AAC!
A monostable circuit triggered by the spike will probably do what is needed. What is the intended frequency of the clock pulses?
 

MisterBill2

Joined Jan 23, 2018
27,402
Multiple triggers from a noisy pulse is a common logic problem, and fortunately there are a number of common logic solutions. There is also the concern that the peak pulse voltage may exceed the maximum input voltage specified for the logic device it is feeding, another common logic input problem. The good news is that simple solutions have been developed and are well known. The required information is that you know the minimum possible time between pulses that you want to count separately.
One standard solution is to use a monostable timer that will trigger on the first rising edged of the pulse and provide a solid logic high for a time adequate for the piezo pulse to be completed.
I am guessing that the decade counter is a CD4017 or MC14017 CMOS IC. The suitable monostable IC is either a CD4098 or an MC14528 or MC14538. Those are all CMOS devices that can operate from the same supply as the decade counter. You will need to consult the data sheet for them to find the correct resistor and capacitor values to stretch the pulse time so that it is longer than the noisy pulse from the piezo sensor.
 

Thread Starter

spokenwurds

Joined Aug 6, 2023
43
Multiple triggers from a noisy pulse is a common logic problem, and fortunately there are a number of common logic solutions. There is also the concern that the peak pulse voltage may exceed the maximum input voltage specified for the logic device it is feeding, another common logic input problem. The good news is that simple solutions have been developed and are well known. The required information is that you know the minimum possible time between pulses that you want to count separately.
One standard solution is to use a monostable timer that will trigger on the first rising edged of the pulse and provide a solid logic high for a time adequate for the piezo pulse to be completed.
I am guessing that the decade counter is a CD4017 or MC14017 CMOS IC. The suitable monostable IC is either a CD4098 or an MC14528 or MC14538. Those are all CMOS devices that can operate from the same supply as the decade counter. You will need to consult the data sheet for them to find the correct resistor and capacitor values to stretch the pulse time so that it is longer than the noisy pulse from the piezo sensor.
So i have a stable 12v current affixed to the positive line of the piezo and a 1M resistor on the negative line to the clk in of the CD4017. The Piezo sensor is indeed intended to trigger the clock with pressure is applied generating the roughly .5-1V AC.
 

Thread Starter

spokenwurds

Joined Aug 6, 2023
43
Welcome to AAC!
A monostable circuit triggered by the spike will probably do what is needed. What is the intended frequency of the clock pulses?
Would it be possible for me to add an N555 to get the AC current out to the CD4017 or is it simply better to got with @MisterBill2 ’a suggestion of using a CD4098
 

Thread Starter

spokenwurds

Joined Aug 6, 2023
43
@Alec_t and @MisterBill2
Thank you so much for the mentoring. I’m still very new to circuit design. But this project and one other one sort of thrust me into the learning process.

This piezo pulse counter has been a long time dreamed up idea which i never thought i’d be designing myself lol.
An acquaintance once friend of mine was a circuit designer for guitar fx pedals. I build his website and created his artwork. I was a very loyal friend, and he just went dark one day, every mutual acquaintance all at once began asking what happened. And unfortunately this project and some others i invested in were a loss.
So now i’m learning it to do it myself lol.
Anyhow, i’m thinking the CD4098 is an excellent recommendation with one likely novice concern. Being i’m using a 12v dedicated power supply with the piezo for voltage spike on the CD 4017, will i need to rethink this set up with the 4098, i don’t need the 12v the counter just the controlled lines.

but i had no other way to get the cd4017 to register the pulses of the piezo.
 

BobTPH

Joined Jun 5, 2013
11,496
This piezo pulse counter has been a long time dreamed up idea which i never thought i’d be designing myself lol.
What is it supposed to accomplish? What is the source of these “hits” on the piezo? Are these electronic drum pads by any chance?
 

Thread Starter

spokenwurds

Joined Aug 6, 2023
43
Multiple triggers from a noisy pulse is a common logic problem, and fortunately there are a number of common logic solutions. There is also the concern that the peak pulse voltage may exceed the maximum input voltage specified for the logic device it is feeding, another common logic input problem. The good news is that simple solutions have been developed and are well known. The required information is that you know the minimum possible time between pulses that you want to count separately.
One standard solution is to use a monostable timer that will trigger on the first rising edged of the pulse and provide a solid logic high for a time adequate for the piezo pulse to be completed.
I am guessing that the decade counter is a CD4017 or MC14017 CMOS IC. The suitable monostable IC is either a CD4098 or an MC14528 or MC14538. Those are all CMOS devices that can operate from the same supply as the decade counter. You will need to consult the data sheet for them to find the correct resistor and capacitor values to stretch the pulse time so that it is longer than the noisy pulse from the piezo sensor.
Additional question. If using a monostable IC, your notes say that i’d need a cap to push the square pulse long enough to pass the Piezo’s pulse, but my wonder is whether there is a way to cut the piezo’s pulse right after firing?
 

Audioguru again

Joined Oct 21, 2019
6,826
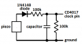
A piezo sensor is a capacitor so the 12V you connected to it is not needed, connect it to signal ground instead. The clock pin of a CD4017 must have a resistor (100k?) to ground and the piezo to the clock pin needs a series 100k resistor.
The piezo generates many pulses because it resonates.
 

Thread Starter

spokenwurds

Joined Aug 6, 2023
43
A piezo sensor is a capacitor so the 12V you connected to it is not needed, connect it to signal ground instead. The clock pin of a CD4017 must have a resistor (100k?) to ground and the piezo to the clock pin needs a series 100k resistor.
The piezo generates many pulses because it resonates.
Yes, all thisnis accurate, i’m trying to find a method to gate the multiple pulses upon first pulse
 

Thread Starter

spokenwurds

Joined Aug 6, 2023
43
If he would tell us what the sensor is and what is exciting it, we might be able to give better advice.
Hey guys sorry,

i’ve been out with my kids at an amusement park so i wasn’t immediately available to respond.
It’s not a secret project hahah.

The piezo sensor will be up against a drum skin, separated by a piece of foam.

the drum hits provide the pressure needed to vibrate the piezo and create a voltage spike.
The voltage spike is meant to be used ad a trigger pulse for a decade counter. The counter out channels are connected to base pins of a transistor and act as relays for LED strips. Essentially switching channels to the drum hits.
 

Thread Starter

spokenwurds

Joined Aug 6, 2023
43
Help!!!

I need to know how to control the voltage spike from a piezoelectric sensor when pressure is applied.

Essentially i’m using it to trigger a clk input of a decade counter. But because of the nature of the AC circuit and the pressure length. The voltage bounces making the clk jump forward pins
i’ve attached two versions of the circuit. I’m currently not using the relay version.
 

Attachments

BobTPH

Joined Jun 5, 2013
11,496
Thanks for responding, many do try to keep everything secret.

So, probably safe to assume no more than 8 hits per second. That makes it a lot easier.
 

MisterBill2

Joined Jan 23, 2018
27,402
To be sure of only one pulse per hit on the piezo device, the one-shot pulse only needs to be as long as the piezo pulse with. That effectively masks all of the noise. Or is it possible that the intended rate of hits on the piezo is faster than the decay time??
A Diode clamp circuit, with the diode cathode at the V= level and the diode negative at the piezo output will hold the voltage to V+ and one diode drop positive.
 
Top