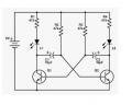
Hi all. I am looking at a new circuit which uses a switch to activate a fast switching astable multivibrator oscillator and when the switch is removed it stops the oscillating processes and only 1 or the transistors will remain on. (Its like a decision maker machine)
I understand mostly how the astable multivibrator works but only it its form without the human-operated switch. With the switch labeled "GO" and extra 2 paths with resisters R5 and R6 a have a question
Why does the astable multivibrator not continue to oscillate when the GO switch is either open or completely removed from the circuit due to the paths which I have colored in red and blue that seem to be a complete circuit to allow current continue charging the capacitors and allow current through the Base Emitter?

I understand mostly how the astable multivibrator works but only it its form without the human-operated switch. With the switch labeled "GO" and extra 2 paths with resisters R5 and R6 a have a question
Why does the astable multivibrator not continue to oscillate when the GO switch is either open or completely removed from the circuit due to the paths which I have colored in red and blue that seem to be a complete circuit to allow current continue charging the capacitors and allow current through the Base Emitter?





