Hello
I am attempting to fabricate a non invasive trailer lighting module in my car.
The Car uses LED tail lights that stop working if I put too much load on the circuit - this is why I need a non invasive solution.
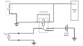
This is the circuit i have minus the "?" component:

I have managed to find current sensors but no switches:
https://www.techbrands.co.nz/store/product/xc4610.aspx
https://www.sparkfun.com/products/11005
Specifications for the relay:

Can anyone point me in the direction of an appropriate component for this?
Thank you in advance.
Mike
I am attempting to fabricate a non invasive trailer lighting module in my car.
The Car uses LED tail lights that stop working if I put too much load on the circuit - this is why I need a non invasive solution.
This is the circuit i have minus the "?" component:

I have managed to find current sensors but no switches:
https://www.techbrands.co.nz/store/product/xc4610.aspx
https://www.sparkfun.com/products/11005
Specifications for the relay:

Can anyone point me in the direction of an appropriate component for this?
Thank you in advance.
Mike

