Hi,
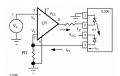
I'm trying to build a circuit using an IL300 optocoupler. My application is to read an input voltage in the range of 0V to 2V. I followed the IL300 application guide and built my circuit according to the photovoltaic configuration (as suggested in the app note).
I'm simulating the circuit in TINA, but when I run the simulation, the output is always 5V regardless of the input voltage. I'm using OPA2328 op-amps on both the input and output sides of the IL300. I downloaded the IL300 SPICE model from the manufacturer's website.
I’m not sure how to solve this problem. Could you please suggest solutions or point out where I might be making a mistake? I’ve attached my schematic and the IL300 SPICE model for reference.
Thanks & Regards
I'm trying to build a circuit using an IL300 optocoupler. My application is to read an input voltage in the range of 0V to 2V. I followed the IL300 application guide and built my circuit according to the photovoltaic configuration (as suggested in the app note).
I'm simulating the circuit in TINA, but when I run the simulation, the output is always 5V regardless of the input voltage. I'm using OPA2328 op-amps on both the input and output sides of the IL300. I downloaded the IL300 SPICE model from the manufacturer's website.
I’m not sure how to solve this problem. Could you please suggest solutions or point out where I might be making a mistake? I’ve attached my schematic and the IL300 SPICE model for reference.
Thanks & Regards
Attachments
-
19.6 KB Views: 37
-
83.8 KB Views: 36
-
275.9 KB Views: 9



