How to connect E3JM-R4S4 PNP Sensor

Thread Starter

toby159

Joined Apr 29, 2020
4
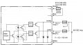
Hi, this is E3JM-R4S4, brown and blue connect to power supply. I wanted to know is it either black or brown connect to +load and the white connect to 0V?

If is it so, I don't see the electric flow.
 

Attachments

Thread Starter

toby159

Joined Apr 29, 2020
4
Welcome to AAC!

Black connects to -load, white to ground, brown connection depends on the power source.
You mean grey connect to +24V, white connect to 0V and the black connect to load like PLC?

The black is negative signal right?
 
Top