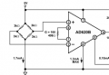
I want to amplify differential output (~30mV, CMV~9V) of a Wheatstone bridge (Gain=50.4). The power supply GND of bridge circuit and AD620 power GND is common. After building this circuit I am able to get output as expected.
But whenever I feed AD620 with a millivolt output from a standalone DC source (Multimeter), the output from AD620 is giving output less than expected (Almost 60% of expected value). What can be the issue?
I am not from electronic background but started studying about bridge circuits recently. Is this something related to GND not common? I noticed that a handheld multimeter shows accurate results eventhough it doesn't have any idea about the common mode voltage/GND associated with differential input.

But whenever I feed AD620 with a millivolt output from a standalone DC source (Multimeter), the output from AD620 is giving output less than expected (Almost 60% of expected value). What can be the issue?
I am not from electronic background but started studying about bridge circuits recently. Is this something related to GND not common? I noticed that a handheld multimeter shows accurate results eventhough it doesn't have any idea about the common mode voltage/GND associated with differential input.


