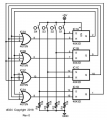
Just joined. Found a reply for a question over 1 yr ago for a similar problem. Was suggested I create a new post. I need a circuit for the following which I think I can create with relays but prefer not to use them. Using one low voltage (9v likely) source I will have 3 LEDs each with its own switch. Example L1, L2, L3. If any one is of these switches closes and its LED illuminates, the other 2 must cut out - can not come on. So if L2 lights, then circuits for L3 and L1 are broken. I found a similar solution in this YouTube link:
.
The problem here is that when a second light switch is triggered, it can't power up but this config. also kills power to the one that is on. I need the illuminated one to stay on until it is reset. I could wire the Illuminated one to power relays to the other 2 and physically switch them off but this is too complex. Would prefer switches and circuitry if possible.
Thanks in advance
Brewster
The problem here is that when a second light switch is triggered, it can't power up but this config. also kills power to the one that is on. I need the illuminated one to stay on until it is reset. I could wire the Illuminated one to power relays to the other 2 and physically switch them off but this is too complex. Would prefer switches and circuitry if possible.
Thanks in advance
Brewster

