
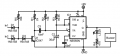
This circuit was designed by the helpful people on this forum. Its purpose is to turn on LED1, and the buzzer for 3 seconds when a specific LED on 2 separate 4017 outputs match.
The circuit works really well, but I would like an additional circuit on the output of the 555, replacing the buzzer, and LED1, that activates a relay 3 times for 1 second each activation (these times are very approximate). Is this possible? I no longer need the activation of LED1, and the buzzer of the original circuit at this time.
EDIT: Maybe a 4017 being driven by a 555 at 1 pulse per second, and 3 outputs driving a 2n222??
Thanks for any assistance.
Last edited:


