Hello guys my name is John Paul, do guys have any idea how to make a 0-99 up/down counter with a common cathode display?
also can you tell me guys where to put a schmitt trigger to prevent button bouncing?
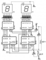
i cant find a 0-99 counter using IC 4510 and 4511 or IC 7490 and 7447
i want it to count up and down using a button
and i cant find any simple schmitt trigger circuit
Any Help would be very Appreciated
also can you tell me guys where to put a schmitt trigger to prevent button bouncing?
i cant find a 0-99 counter using IC 4510 and 4511 or IC 7490 and 7447
i want it to count up and down using a button
and i cant find any simple schmitt trigger circuit
Any Help would be very Appreciated
