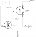
Apologies for being a total circuit noob, I'm trying to invert a low side PWM signal to a high side PWM signal, and I came across a thread elsewhere on this forum where @LowQCab explained how to do this a P channel MOSFET and a resistor, which I soldered up, and It does not seem to being doing what I need.
The circuit is wired up as shown in his original diagram (attached). When everything is connected, with a multimeter, it's showing the perfect frequency is measured (1khz, just as on the input), but the duty cycle is just pegged at 100% no matter how I vary it on the input (connected to the gate). Any suggestions as to what's going on? Is the source voltage too high (and thus needs a voltage divider)? It's 12v (this is an automotive application).
The parts I used for this are:
MOSFET - IXTH50P10
Resistor - CMF55500R00FEBF
I really appreciate any help!
The circuit is wired up as shown in his original diagram (attached). When everything is connected, with a multimeter, it's showing the perfect frequency is measured (1khz, just as on the input), but the duty cycle is just pegged at 100% no matter how I vary it on the input (connected to the gate). Any suggestions as to what's going on? Is the source voltage too high (and thus needs a voltage divider)? It's 12v (this is an automotive application).
The parts I used for this are:
MOSFET - IXTH50P10
Resistor - CMF55500R00FEBF
I really appreciate any help!
Attachments
-
261 KB Views: 39

