Hello people!
I am asking for a little bit of help here since some social/political problems in my country have interrupted classes at my university. Nevertheless I am still given homework without very much explanation or examples. After being all day studying with videos and texts, I found the "beast" of my homework.
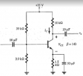
Instructions say that I must find base voltage (Vb) and collector-emitter voltage (Vce).
Info about this circuit:
-BETA: 50
-Emitter current (Ie)= 2 mA

----------------------
---Small digression----
The other exercises of my HW had the "classic" configuration that almost every study material includes and gives an example of, but this one is different. Let's see one of the examples my teacher gave me.

In this example, Rc (10k) and R1(39K) are in parallel and, visually speaking, they're "next to each other". Also, you can see I know the value of all the resistors. This is your classic, introductory example.
----End of digression----
_---__-__--_-__-_--
None of the other exercises or examples have this peculiar configuration: not only this exercise has a "lagged" Rc (if it was only that, I could deal with it), but it also has a voltage divider polarization! That means I have to worry about two resistors (R1 and R2) to find my answers. On top of that, I do not know the value of R1. I started this topic of Transistors yesterday, so maybe there is an easy andwer for this problem, but since I have faced an avalanche of information about this topic, I may not see it clearly.
----------------
MY ATTEMPT:
I am not sure if my approach is correct or no, I just rushed on internet looking for formulas that fitted well at the moment. Take a look:
1)First, I examine the node to which R1, R2 and base are connected. Then apply KCL to get Ib.

2) I proceed to use KVL in loop 1. Apparently, this gives me the value of current through R2 (or I2, for simplicity's sake) .

3)Afterwards,I realize that I can get Ic and I1 through KCL!

4) Then I use KVL in loop 2. In this way I can get that annoying R1 value. As far as it seems, R1 value is 62K.

5) Now I go to loop 3 in order to get what the teacher is asking me (Vce and Vb). Here are the answers I got:

I have a doubt here: I got Vth (which is the same value of Vb afaik) by using the formula given for a "classic" configuration of voltage divider polarization. That means that the resistors Rc and R1 are located "at the same level"/"side by side" instead of "one after another". I don't know if I have to come up with a new formula in order to get a valid value for Vb.
As for the rest, I would like to know if this approach & its answers are correct or not. Moreover, I want to know if I properly established all the loops 1, 2, and 3 or if I'm missing any.
Thanks in advance
I am asking for a little bit of help here since some social/political problems in my country have interrupted classes at my university. Nevertheless I am still given homework without very much explanation or examples. After being all day studying with videos and texts, I found the "beast" of my homework.
Instructions say that I must find base voltage (Vb) and collector-emitter voltage (Vce).
Info about this circuit:
-BETA: 50
-Emitter current (Ie)= 2 mA

----------------------
---Small digression----
The other exercises of my HW had the "classic" configuration that almost every study material includes and gives an example of, but this one is different. Let's see one of the examples my teacher gave me.

In this example, Rc (10k) and R1(39K) are in parallel and, visually speaking, they're "next to each other". Also, you can see I know the value of all the resistors. This is your classic, introductory example.
----End of digression----
_---__-__--_-__-_--
None of the other exercises or examples have this peculiar configuration: not only this exercise has a "lagged" Rc (if it was only that, I could deal with it), but it also has a voltage divider polarization! That means I have to worry about two resistors (R1 and R2) to find my answers. On top of that, I do not know the value of R1. I started this topic of Transistors yesterday, so maybe there is an easy andwer for this problem, but since I have faced an avalanche of information about this topic, I may not see it clearly.
----------------
MY ATTEMPT:
I am not sure if my approach is correct or no, I just rushed on internet looking for formulas that fitted well at the moment. Take a look:
1)First, I examine the node to which R1, R2 and base are connected. Then apply KCL to get Ib.

2) I proceed to use KVL in loop 1. Apparently, this gives me the value of current through R2 (or I2, for simplicity's sake) .

3)Afterwards,I realize that I can get Ic and I1 through KCL!

4) Then I use KVL in loop 2. In this way I can get that annoying R1 value. As far as it seems, R1 value is 62K.

5) Now I go to loop 3 in order to get what the teacher is asking me (Vce and Vb). Here are the answers I got:

I have a doubt here: I got Vth (which is the same value of Vb afaik) by using the formula given for a "classic" configuration of voltage divider polarization. That means that the resistors Rc and R1 are located "at the same level"/"side by side" instead of "one after another". I don't know if I have to come up with a new formula in order to get a valid value for Vb.
As for the rest, I would like to know if this approach & its answers are correct or not. Moreover, I want to know if I properly established all the loops 1, 2, and 3 or if I'm missing any.
Thanks in advance