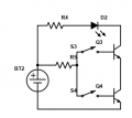
I tried to create an logical and operation using npn transistors. I tried connecting: plus of the 12 V DC power source to first transistor collector, then the first transistor emitter to second transistor collector, then the second transistor emitter to potentiometer, from potentiometer(I used an voltmeter to set the resistence to enough ohms to output 1.3V) to 1.3 V led and from the led to the minus of the power. For the switch part I created a parallel circuit from the power source:
plus from the 12 DC power source to potentiometer(outputting 1.0V), potentiometer to switch 1 and switch 2 and switch1 to base 1 and switch2 to base2. The led is on when the second switch is closed, and the first switch can be open or closed and the led is still on.
plus from the 12 DC power source to potentiometer(outputting 1.0V), potentiometer to switch 1 and switch 2 and switch1 to base 1 and switch2 to base2. The led is on when the second switch is closed, and the first switch can be open or closed and the led is still on.







