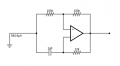
I am working with a simple Schmitt trigger based square wave generator which works off of a dual supply.

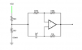
What I would like to do is convert it to a single supply compatible equivalent. I estimated the current draw of the circuit in the simulator (excluding what is needed to power the opamp itself) to be a something like 600μA and based on that number I set up a low-impedance voltage divider to act as a virtual ground and set up the opamp in single supply configuration.

Now the frequency is given by 1/(R*C*2*ln((1+β)/(1-β))) so in this case it should be 1/(12000*0.000001*2*ln(3)) = ~37.926Hz. The dual-supply version yields the most faithful simulation but for some reason the second one only approaches that level of accuracy (frequency-wise) if I set the virtual ground divider resistors to fairly low values. Setting them to 560Ω each seems to work well but the current draw rises to about 4.5mA, which is more than 7 times what the first circuit consumes.
My question then (1) is there a better way to do it that such that the current draw doesn't exceed say 1mA and (2) otherwise, might any issues arise from using this kind of single-supply-virtual-ground approach?

What I would like to do is convert it to a single supply compatible equivalent. I estimated the current draw of the circuit in the simulator (excluding what is needed to power the opamp itself) to be a something like 600μA and based on that number I set up a low-impedance voltage divider to act as a virtual ground and set up the opamp in single supply configuration.

Now the frequency is given by 1/(R*C*2*ln((1+β)/(1-β))) so in this case it should be 1/(12000*0.000001*2*ln(3)) = ~37.926Hz. The dual-supply version yields the most faithful simulation but for some reason the second one only approaches that level of accuracy (frequency-wise) if I set the virtual ground divider resistors to fairly low values. Setting them to 560Ω each seems to work well but the current draw rises to about 4.5mA, which is more than 7 times what the first circuit consumes.
My question then (1) is there a better way to do it that such that the current draw doesn't exceed say 1mA and (2) otherwise, might any issues arise from using this kind of single-supply-virtual-ground approach?



