Hello all,
I would like to use the following circuit to power on a Raspberry Pi and handle power-off from the software side.
The circuit currently provides multiple functions:
However, I need the following behavior:
I assume I need to modify the left side of the IRF7319 circuit, but I couldn’t figure out how to implement the long-press ON functionality while removing long press shutdown (2) and keeping Shutdown from Raspberry by pulling P7 to GND (3).
Any advice would be appreciated.

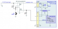
I would like to use the following circuit to power on a Raspberry Pi and handle power-off from the software side.
The circuit currently provides multiple functions:
- Short press → turns the system ON
- Long press → forces shutdown
- Pulling P7 to GND → shutdown from the Raspberry Pi side
However, I need the following behavior:
- (1)Long press to power ON
- (2)No shutdown by long press (disable this feature)
- (3)Shutdown from the Raspberry Pi side should remain the same (pulling P7 to GND)
I assume I need to modify the left side of the IRF7319 circuit, but I couldn’t figure out how to implement the long-press ON functionality while removing long press shutdown (2) and keeping Shutdown from Raspberry by pulling P7 to GND (3).
Any advice would be appreciated.



