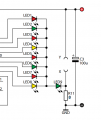
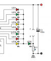
I have to simulate this schematic in LTspice. The problem is, that it uses an CMOS 4017N counter. I've only found one libary which has that element, but it has different inputs. The main problem i have, is that i dont have the VDD input. On the first picture is my project, and on the second one is the schematic. If it is needed i can attach my project folder also in the comments.









