Hello there! I hope that you are all keeping safe wherever you are.
Here's my problem:
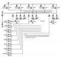
I'm a Physics teacher in England and thought that it would be interesting and fun to make a huge digital clock as a wall feature. I bought a C51 4 bit clock from ebay for practically nothing, and thought that I could make it drive a bank of leds. Each of the 29 elements would go straight to their own 4N25 optoisolator, then I thought that I could take the other side and connect it to the base of a 2N2222 transistor, through a 1kohm resistor, capable of driving 0.5A This should be fine for 20 0.02A red leds I thought. So I made a breadboard circuit to try it out. Everything went to plan, I tested it with a single led coming from (through the 4N25) a multiplexing common cathode and the anode from the second flashing decimal point. Fabulous! It worked. I then thought that it would be a piece of cake to put another 19 leds in as well. No joy, the more I added the dimmer they got. Unfortunately, with the lockdown I can't pop into work to get an oscilloscope to see what's going on. Ohm has a lot to answer for!!
Anyway, anyone one out there who could jot down the circuit for the output side of the 4N25 to give me 20 beautiful dazzlingly bright 20mA leds and put me out of my misery?
Thanking you in advance!!
Here's my problem:
I'm a Physics teacher in England and thought that it would be interesting and fun to make a huge digital clock as a wall feature. I bought a C51 4 bit clock from ebay for practically nothing, and thought that I could make it drive a bank of leds. Each of the 29 elements would go straight to their own 4N25 optoisolator, then I thought that I could take the other side and connect it to the base of a 2N2222 transistor, through a 1kohm resistor, capable of driving 0.5A This should be fine for 20 0.02A red leds I thought. So I made a breadboard circuit to try it out. Everything went to plan, I tested it with a single led coming from (through the 4N25) a multiplexing common cathode and the anode from the second flashing decimal point. Fabulous! It worked. I then thought that it would be a piece of cake to put another 19 leds in as well. No joy, the more I added the dimmer they got. Unfortunately, with the lockdown I can't pop into work to get an oscilloscope to see what's going on. Ohm has a lot to answer for!!
Anyway, anyone one out there who could jot down the circuit for the output side of the 4N25 to give me 20 beautiful dazzlingly bright 20mA leds and put me out of my misery?
Thanking you in advance!!





