I was giving an inverter project to work out and the project has central tap transformer on it, but the transformer I have with me is non central tap. I want to know how to work it out.However, maybe you don’t need a centre tapped transformer. What do you plan to do with it?
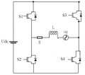
This is the schematicYou need to provide a Schematic so that we can see what you're talking about.
.
.
.
Yep, that's an inverter circuit that needs a center tap. You can grab a second one and use the node in between the two secondaries as the center tap.This is the schematic
How? Do you have any schematic to demonstrate?Yep, that's an inverter circuit that needs a center tap. You can grab a second one and use the node in between the two secondaries as the center tap.
I don't think that will work. The 2 secondary windings need to be magnetically coupled.Yep, that's an inverter circuit that needs a center tap. You can grab a second one and use the node in between the two secondaries as the center tap.
Hi,Is't possible to get central tap from ordinary transformer without rewinding?
I have a 15 v 2amp ordinary transformer which I want to know how to get the central tap without rewinding
330 ohm resistor * 2Your Schematic has no Voltage or Current Specifications, and no part-numbers.
.
.
.
I guess it wasn't obvious...I don't think that will work. The 2 secondary windings need to be magnetically coupled.

With a single transformer it simply will not work out and using two they should be identical.I was giving an inverter project to work out and the project has central tap transformer on it, but the transformer I have with me is non central tap. I want to know how to work it out.