First of all I've just joined you.
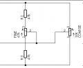
Can i ask a question i am making a psu with XL4016 and 24 volt 6.5A SMPS. I measure value of constant volt: for 12 volt i should set pot 3,12 Kohm for 24 volt --> 6,65 Kohm. I shared my schematic. I want to use a two 270 degree normal pot(because they are inexpensive and they can set quickly) one of the pot is approximately 3,25 ohm(I combined 5k pot with 10k resistor.) and the other pot(500 ohm) for fine tuning. In schematic when the switch on rigth position i can adjust 1.2 volt to 12,5 volt. Left position of switch i adjust 12 volt to 24 volt. My question is when i change position of switch on middle position pot circuit will be open. It will be a problem? (Can i use pull up-pull down resistors, if it yes, where i should use it?) I didn't try cut switch wire of number 2. I am afraid of broke my module. Could you help me. I hope i can explain myself. Thank in advance
Can i ask a question i am making a psu with XL4016 and 24 volt 6.5A SMPS. I measure value of constant volt: for 12 volt i should set pot 3,12 Kohm for 24 volt --> 6,65 Kohm. I shared my schematic. I want to use a two 270 degree normal pot(because they are inexpensive and they can set quickly) one of the pot is approximately 3,25 ohm(I combined 5k pot with 10k resistor.) and the other pot(500 ohm) for fine tuning. In schematic when the switch on rigth position i can adjust 1.2 volt to 12,5 volt. Left position of switch i adjust 12 volt to 24 volt. My question is when i change position of switch on middle position pot circuit will be open. It will be a problem? (Can i use pull up-pull down resistors, if it yes, where i should use it?) I didn't try cut switch wire of number 2. I am afraid of broke my module. Could you help me. I hope i can explain myself. Thank in advance




