Given the Following, require help

Thread Starter

Velvet_Thunder

Joined Aug 15, 2023
9
Sorry I am new here I messed up the post. Here is the question :
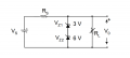
Vs = 16V ~ 20V , Rl = 300 ~ infinity , PzM1 = 1.5 W , Izmin1 = 0.2mA , PzM2 = 1.8 W , Izmin2 = 0.2mA
Given the above values calculate the maximum value of Rs.

Hi
VT No problem, edited the post a little. Mod.
 

Thread Starter

Velvet_Thunder

Joined Aug 15, 2023
9
Hi VT
As this homework, please post your best attempt at answering, we can then help.
E
Here is where I am stuck. The minimum current that needs to flow through Rs is limted by the minimum zener current which in this case is 0.2mA. If Is is smaller than this then the output would be unregulated. The maximum current is capped by the maximum power of the zener which can be calculated from PzM1 ( Izmax = PzM1/Vz = 1.5W / 9 V = 166.66mA). Now to calculate the Maximum value of Rs I would suppose that Vi would be maximum and Is would be minimum so : Rsmax = (Vimax - Vz)/Ismin = (20-9)/0,2mA = 55Kohm . Is this correct?
 

WBahn

Joined Mar 31, 2012
32,777
Here is where I am stuck. The minimum current that needs to flow through Rs is limted by the minimum zener current which in this case is 0.2mA. If Is is smaller than this then the output would be unregulated. The maximum current is capped by the maximum power of the zener which can be calculated from PzM1 ( Izmax = PzM1/Vz = 1.5W / 9 V = 166.66mA). Now to calculate the Maximum value of Rs I would suppose that Vi would be maximum and Is would be minimum so : Rsmax = (Vimax - Vz)/Ismin = (20-9)/0,2mA = 55Kohm . Is this correct?
Why are you dividing 1.5 W by 9 V? What is the voltage across V_z1?
 

WBahn

Joined Mar 31, 2012
32,777
Rsmax = (Vimax - Vz)/Ismin = (20-9)/0,2mA = 55Kohm . Is this correct?
One of the nice things about most engineering problems is that the correctness of an answer can be determined by the answer itself.

So let's see what happens if you use a 55 kΩ resistor in that circuit.

What is the voltage across the load resistor if it is at the lowest possible value of 300 Ω?

Does that meet the purpose of the circuit?
 

WBahn

Joined Mar 31, 2012
32,777
I just drew the equivelent of the two zeners in series giving me a 9 V 1.5W zener. PzMAX = 1.5 W . So IzMAX = PzMAX / Vz = 1.5W/9V
But the 1.5 W limit isn't a combined limit for both -- one zener has no awareness of the other one. Each one only knows how much heat IT is producing. So I give you a 3 V zener that has a max power dissipation of 1.5 W, how much current can flow through it without violating that spec? How much current can flow through a 6 V zener that has a max power dissipation of 1.5 W? What dictates the maximum allowable current when both are placed in series?

Also ask yourself, is the power rating of the zeners likely to be what sets the MAXIMUM value of the Rs? If Rs is set at some value, would you expect the power in the zeners to go UP if the value of Rs was increased from there?
 

Thread Starter

Velvet_Thunder

Joined Aug 15, 2023
9
One of the nice things about most engineering problems is that the correctness of an answer can be determined by the answer itself.

So let's see what happens if you use a 55 kΩ resistor in that circuit.

What is the voltage across the load resistor if it is at the lowest possible value of 300 Ω?

Does that meet the purpose of the circuit?
yea Il would be capped to 0.2 mA . ( Is = (Vi - Vz)/Rs = 0.2mA ) . But the load needs to be able to pull 30 mA ( IL = Vz/RLmin = 9 / 300 = 30mA ). So this isnt correct .
 

Thread Starter

Velvet_Thunder

Joined Aug 15, 2023
9
But the 1.5 W limit isn't a combined limit for both -- one zener has no awareness of the other one. Each one only knows how much heat IT is producing. So I give you a 3 V zener that has a max power dissipation of 1.5 W, how much current can flow through it without violating that spec? How much current can flow through a 6 V zener that has a max power dissipation of 1.5 W? What dictates the maximum allowable current when both are placed in series?

Also ask yourself, is the power rating of the zeners likely to be what sets the MAXIMUM value of the Rs? If Rs is set at some value, would you expect the power in the zeners to go UP if the value of Rs was increased from there?
Well yea I picked the smalled PzMAX . This way the smaller power zener will never exceed its maximum rating.
 

WBahn

Joined Mar 31, 2012
32,777
Well yea I picked the smalled PzMAX . This way the smaller power zener will never exceed its maximum rating.
So if 166.66 mA (note -- engineering results are generally reported to three significant figures unless something dictates otherwise) is flowing through the two zeners, how much power is each one dissipating? Can more current flow through them without violating the max power rating of either of them? If so, then 166.6 mA (note that it gets rounded down because it was a max value, and 166.7 mA would violate it) is not the correct maximum current.

Problems like this are asking you to find the limiting values. In practice, you would apply safety margins, either on the results or on the conditions. For instance, you might say that you don't want anything to dissipate more than 50% of it's rated power (that a pretty common safety margin for non-critical stuff) and then find the limiting values as if the zeners were 750 mW devices.

But, again, is the maximum value of Rs going to be determined by the power in the zeners?

What consideration is going to drive the maximum value of Rs?

Ask yourself what is it that make 55 kΩ too large? Was it the power being dissipated in the zeners? Or was it something else?
 
Top