


Sorry, I just pulled that circuit diagram off the internet.View attachment 359178
So... what happens to the voltage of the negative rail if a load that should nominally draw 50 µA from a 4.5 V supply is placed between the 4.5 V rail and GND?
I don't consider that to be a dual power supply, but rather a means of establishing a high-impedance reference voltage midway between the supplies. It can only serve as a reference for circuits that operate directly between the actual rails, not as two split supplies. An example would be putting an opamp operated between the two rails and using the "GND" only as a reference to the high impedance input of the opamp. Many of the classic opamp configurations, including the basic non-inverting amplifier, won't work well from these power rails.
This can be remedied by removing this ground reference and putting a unity-gain voltage follower at that node and declaring its output to be "GND", though some care needs to be given regarding capacitive loads and stability.
To put it simply, dual supplies are needed because signals which need to be amplified often oscillate between a "zero point" reference. An audible sound for example corresponds to a pressure of zero, positive, or negative. Amplifying that signal then generally requires that the amplifier itself bounce in correspondance between zero, positive, and negative as well. Hence the need for a "negative rail".Title of thread says it all. Basically my understanding of Negative or Positive revolves around current flow. What am I missing?
Thanks for your expertise!
This is not exactly correct and needs clarification.To put it simply, dual supplies are needed because signals which need to be amplified often oscillate between a "zero point" reference. An audible sound for example corresponds to a pressure of zero, positive, or negative. Amplifying that signal then generally requires that the amplifier itself bounce in correspondance between zero, positive, and negative as well. Hence the need for a "negative rail".
But of course not *all* signals (non-oscillating ones for instance) require such a feature and in those cases a "single supply" (SS) configuration (Vcc/Gnd connection) may be suffient (besides some other relatively minor biasing considerations). Additionally, even a fluctuating audio signal could theoretically be biased above the zero point and then fed into an SS amplifier, although the usefulness of such a setup would likely be rather limited.
In most cases, an oscillating signal is going to need a dual rail.
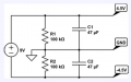
It might be good enough. Heck, the 100 kΩ might be good enough for some applications. But that circuit has the same classic problem as most beginner-level zener voltage regulator circuits -- in order to work well, the regulator circuit needs to dissipate many times (like ten times) the amount of power that the load will draw under maximum intended operation.Sorry, I just pulled that circuit diagram off the internet.
You are correct. R1 and R2 at both 100 kΩ each is too high for many applications.
There are other ways of improving on this. For example, we can make R1 and R2 1 kΩ each if that makes you any happier.
So the zero voltage is actually 9 volts if a meter is placed at the zero and one of the nines outer terminals, and the voltage across both batteries is 18 volts.Why do you need to discuss current flow?
Why do you need to discuss AC in a dual rail power supply?
A perfect vacuum would be zero pressure. Why assign a negative pressure to zero? Can't get any lower than a perfect vacuum. Does not make any sense.To put it simply, dual supplies are needed because signals which need to be amplified often oscillate between a "zero point" reference. An audible sound for example corresponds to a pressure of zero, positive, or negative.
It was a bit of a hand-wavey description, granted, but I figured you would get the gist. To be more precise, "zero" corresponds to pressure forces on the sensor being in equilibrium. An imbalance in either "direction" would thus be positive/negative depending on the convention being used by the sensor itself.A perfect vacuum would be zero pressure. Why assign a negative pressure to zero? Can't get any lower than a perfect vacuum. Does not make any sense.
The signal in an antenna is always AC, so it alternates back and forth in direction. That's how it sets up a propagating electromagnetic wave when it transmits, or the result of an electromagnetic wave impinging on it.Thank you all for the in depth replies.
As I don't have a simple circuit to reference besides batteries or a voltage divider; with a analog multimeter, if you connect the test leads backwards, the needle goes backwards. Negative voltage causes current to obviously reverse. With a radio transmitter, the current circles the antenna in the opposite direction (flux lines). It's not just a matter of assigning a name for a difference between two different numbers. If a lower current passes through the antenna, the result is just a weaker signal.
The power supply isn't being changed.But, the power supply to the transmitter is being reversed.