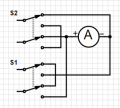
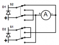
Simplistic question because I happen to know little about switch types. If it exists what's it called? The diagram is attached. In position 1 the points x-q and u-y and p-z are connected. In position 2 the points y-z and x-p and q-u would be connected. Normal on-on switches would break the series of the line not being monitored.
Visual
Visual

