Hello Guys,
I want to do design and simulation using of a differential oscillator for 13.56 MHz using LT Spice for RFID applications.
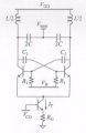
I got reference schematic from google but still i do not know the value and biasing component.
Could anybody help me in schematic design and simulation using LT spice tool?
Below is the specification :
Specifications :
- Output voltage (differential) greater than 1 V peak-peak;
- 2V power voltage; maximum current absorbed 2 mA.
Assumptions:
- Use only bipolar transistors type 2N2222
- Use a differential 2.2 uH inductor consisting of two identical halves: the central socket is used to provide battery voltage;
- take the magnetic coupling between the two halves of the differential inductor of about 0.8;
- assume that the void merit factor of the isolated resonant is at least 50;
- implement the current generator on emitters using "current mirror"
Thanks in Advance !!!
I want to do design and simulation using of a differential oscillator for 13.56 MHz using LT Spice for RFID applications.
I got reference schematic from google but still i do not know the value and biasing component.
Could anybody help me in schematic design and simulation using LT spice tool?
Below is the specification :
Specifications :
- Output voltage (differential) greater than 1 V peak-peak;
- 2V power voltage; maximum current absorbed 2 mA.
Assumptions:
- Use only bipolar transistors type 2N2222
- Use a differential 2.2 uH inductor consisting of two identical halves: the central socket is used to provide battery voltage;
- take the magnetic coupling between the two halves of the differential inductor of about 0.8;
- assume that the void merit factor of the isolated resonant is at least 50;
- implement the current generator on emitters using "current mirror"
Thanks in Advance !!!
Attachments
-
22.8 KB Views: 52





