Capacitor charging another capactior

Thread Starter

Vincent9009

Joined Mar 2, 2015
3
I have been doing some calculation on capacitors in different circuits lately and everything has been going fine, but this one got me really stuck. As a result I have been scratching my head on this problem for a couple of days now and need some pointers on how to solve it.

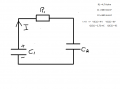
I want to create a function which shows voltage over time for ex. C1.

The initial condition (t=0) are:
V(C1) = 4 V => Q(C1) = 2,72 mC
V(C2) = 0 V
C1 = C2 = 680 microF
R1 = 4,7 Kohm

I have been thinking:
V(C1) - V(R1) - V(C2) = 0
V(C1) - R*dq/dt - dq/C = 0

And this is where I get stuck, Im not really sure how to proceed or even if I'm going in the right direction.
I can solve this if it had been only a capacitor decharging itself or a power supply charging a capacitor.
But when it is two capacitors, the voltage over both of them will alter over time and I cant see a solution for this.

Added a quick drawing for the layout of the circuit.
 

Attachments

Thread Starter

Vincent9009

Joined Mar 2, 2015
3
I finally figured it out.

The function for Vc1(t):
Vc1(t) = 4V - 2V(e^(-t/1,598s))
t = time in seconds

And if someone is wondering what the function for the other components are, I'll post them too:

Vc2(t) = 2V(1-e^(-t/1,598s))

Vr1(t) = 4V(e^(-t/1,598s))

I had messed up the total storage for the capacitors, I considered them connected in parallel, but they act like they are connected in a series.
 
Last edited:

Thread Starter

Vincent9009

Joined Mar 2, 2015
3
ops my bad, typed in the wrong function for Vc1(t)
The correct one are:

Vc1(t) = 2V + 2V(1-e^(-t/1,598s)) = 2V(1+e^(-t/1,598s))
 
Last edited:

darrough

Joined Jan 18, 2015
86
The two capacitors could be combined into one capacitor. The formula is 1 / ( 1 / C1 + 1 / C2 ). The time constant for a capacitor is R * C. The current falls off exponentially and in 5 time constants it is less than 1% of its original value.
 

WBahn

Joined Mar 31, 2012
32,776
The two capacitors could be combined into one capacitor. The formula is 1 / ( 1 / C1 + 1 / C2 ). The time constant for a capacitor is R * C. The current falls off exponentially and in 5 time constants it is less than 1% of its original value.
This description applies to circuits subjected to a step input, which is not the case here.
 
Top