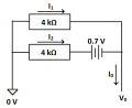
The diode has an "on voltage" of 0.8V is has to overcome in order to turn on, I was thinking since the diode is placed inside a parallel and both resistors have the same resistance that the diode would never have enough voltage to "turn on" and essentially act as an open circuit. Although unsure since it is placed with the op-amp, assuming an ideal op-amp.
Please let me know your thoughts and thank you in advance.

Please let me know your thoughts and thank you in advance.



