I was attempting to simply blink a red LED by switching a digital pin on my microcontroller High and LOW for 1second, connected to the gate of this Mosfet. The LED remained dim when I expect it to turn OFF completely
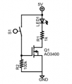
I removed the mosfet and tested like in the attached pic. I have tried with two new AO3400.
I must be doing something fundamentally wrong. I expected the LED to be OFF when the switch is open, only turning ON when the Gate is connected to 5V.
I removed the mosfet and tested like in the attached pic. I have tried with two new AO3400.
I must be doing something fundamentally wrong. I expected the LED to be OFF when the switch is open, only turning ON when the Gate is connected to 5V.
Attachments
-
76.1 KB Views: 41

