Alarm Ideals using a 7555 as a one shot time

Thread Starter

patsroom

Joined Mar 16, 2018
3
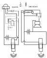
Untitled2 uses.pngHere is shown the router and end device of the three part system.
Real quickly the radio in use will be an n24RF01 with a pro mini to control the data the battery for both are 12 volt 1800mAh. For the router I will use a PIR to sense the surrounding area, then relay if change is met. the end device is located away for the router sensor and is mobile to make it harder to locate. While being happy with the end device I have ran in to a problem with the router.
It takes a minute or so for the PIR to calm down and not sent an out signal. So I have placed a 7555 in line with the pro mini to stop the faults signal so that it has time to work properly. To use the 7555 as a switch I would like to shut off the line from the 3V line to the pro mini for one minute before turning it on for full time power.( I did note that the I had cut the mail power line to the PIR which will cause an error).
I want to use the 7555 if it is possible and I just don't know how tho make the circuit for it. Any help to this problem would be great............Pat
 

Thread Starter

patsroom

Joined Mar 16, 2018
3
I think what you are saying is to remove the 7555 timer and to place a 1K and a 100u on the 3v line to act as a timer that will open after the desire time?
 

Thread Starter

patsroom

Joined Mar 16, 2018
3
I began re-thinking the problem. I don't think it is a hard-ware problem at all, my desire operation can be fixed with soft-ware coding. Giving a 60 second time out in the pro mini codes before excepting input should work in place of electronics. Why I did not see this is a simple matter of over thinking then hitting a writers' block. I sorry for jumping the gun, before thinking about it like I should have. Thank You for your help Colin55 hope to return soon ................Pathttps://forum.allaboutcircuits.com/members/colin55.281268/
 
Top