First post and a polite hello.
I have purchased a vehicle which was not built with a temperature gauge....yeh I know, but it has been under my care for many years.
As a now retired mechanic no temperature reading is bloody annoying with my old way of thinking, there is no room to fit a gauge and I do not want something aftermarket hanging from the windscreen pillar.
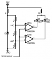
All I want on the dashboard is an LED (5mm?) that is perhaps blue when the engine is cold below say 65°C? It then goes out unless the engine starts to get too hot for example 110°C and then a either turns red or have a second LED?
I can access the OE on board computer to read the actual engine temperature but it's a lot of faffing about and is really for diagnostic use, so a KISS approach is wanted.
I have done 'stuff' like this in the past, but after brain surgery I no longer have the ability to concentrate, or have the patience/steady hand to build what I require. So looking for assistance from forum members, perhaps something that can be purchased pre fabricated.
As the vehicle probably already has enough electronics to control the space shuttle, I would rather something that is standalone and not tied in with any of the vehicles standard equipment.
Assistance in this matter would be appreciated.
Please note, I live in Spain so apologies if there is a delay in replying due to time zone differences.
Many thanks.
Regards
Dave.
I have purchased a vehicle which was not built with a temperature gauge....yeh I know, but it has been under my care for many years.
As a now retired mechanic no temperature reading is bloody annoying with my old way of thinking, there is no room to fit a gauge and I do not want something aftermarket hanging from the windscreen pillar.
All I want on the dashboard is an LED (5mm?) that is perhaps blue when the engine is cold below say 65°C? It then goes out unless the engine starts to get too hot for example 110°C and then a either turns red or have a second LED?
I can access the OE on board computer to read the actual engine temperature but it's a lot of faffing about and is really for diagnostic use, so a KISS approach is wanted.
I have done 'stuff' like this in the past, but after brain surgery I no longer have the ability to concentrate, or have the patience/steady hand to build what I require. So looking for assistance from forum members, perhaps something that can be purchased pre fabricated.
As the vehicle probably already has enough electronics to control the space shuttle, I would rather something that is standalone and not tied in with any of the vehicles standard equipment.
Assistance in this matter would be appreciated.
Please note, I live in Spain so apologies if there is a delay in replying due to time zone differences.
Many thanks.
Regards
Dave.
