I am installing a DC-to-DC charger in my motorhome. This will charge the "house" battery from the alternator (it's lithium iron so requires it's own special charger). I will install a switch on the dash so I can control when to charge it, as to avoid putting too much load on the alternator at idle or other times I deem necessary.
I am trying to decide how to supply wire to the switch. The easy answer is use the "run" power circuit (receives power when the key is in the "run" position). But this means when I turn on the key I immediately have a 30-40A load on the battery. It will turn off of course when I turn the key to start. But I don't like the idea of drawing 40A for a few seconds each time before I start the vehicle (this is assuming someone has forgotten to turn off the manual charging switch I mentioned I will install).
Does anyone know a simple way to detect that the car is running? I don't think there is anything in the fuse box that will only be on when the engine is running. The motorhome chassis is a 2005 Ford E-450.
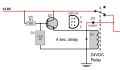
My 2nd idea is somehow cause a delay in supplying power to the switch. Something like this could do it: https://www.amazon.com/gp/product/B07C4ZP23D
Oh I just thought of a third idea - a latching relay that doesn't close until it gets a "crank" signal from the key switch. I would still need a delay I guess, you wouldn't want to draw power during crank. Maybe use two relays, the first one closes and stays closed when it gets a signal from the "crank" wire. The 2nd relay (in series with the first) gets power from the "run" circuit.
Thoughts? Thanks.
I am trying to decide how to supply wire to the switch. The easy answer is use the "run" power circuit (receives power when the key is in the "run" position). But this means when I turn on the key I immediately have a 30-40A load on the battery. It will turn off of course when I turn the key to start. But I don't like the idea of drawing 40A for a few seconds each time before I start the vehicle (this is assuming someone has forgotten to turn off the manual charging switch I mentioned I will install).
Does anyone know a simple way to detect that the car is running? I don't think there is anything in the fuse box that will only be on when the engine is running. The motorhome chassis is a 2005 Ford E-450.
My 2nd idea is somehow cause a delay in supplying power to the switch. Something like this could do it: https://www.amazon.com/gp/product/B07C4ZP23D
Oh I just thought of a third idea - a latching relay that doesn't close until it gets a "crank" signal from the key switch. I would still need a delay I guess, you wouldn't want to draw power during crank. Maybe use two relays, the first one closes and stays closed when it gets a signal from the "crank" wire. The 2nd relay (in series with the first) gets power from the "run" circuit.
Thoughts? Thanks.

