I've been working on a guitar preamp that starts with the circuit below from a Fishman Loudbox amplifier. I've replicated it but it's not working. I substituted TO-92 versions for the transistors and I'm running +/-15v on the rails. Using transistors at the input like this is unusual. I'm trying to understand what the transistors are for. Q1 (n-channel JFET) looks like a switch, but I'm not sure what Q2 and Q3 (both BJT's) do. I have considered trying to bypass the transistors by removing Q1 and or all 3 of them and jumpering pins 2 and 3 on Q1.
Looking for advice.

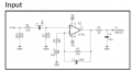
Below is an example of the input of another guitar preamp that uses +/- 15v on the rails, but without the transistors.

Looking for advice.

Below is an example of the input of another guitar preamp that uses +/- 15v on the rails, but without the transistors.







