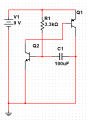
I was about to buy parts and solder them together, but I tried to simulate circuit first. None of the simulators doesn't do what they supposed to. Can somebody explain, is there an error in my circuit or simulators doesn't work?
Attachments
-
9.2 KB Views: 22
