Gents,
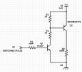
I have a serious problem with my Q2 switching transistor, it's destroying the switching pulse and creating crud on the Vcc. Please have a look at my awesum schematic, you would think I couldn't mess it up, but I did:
If I yank out Q2, then RED is the signal on where the base was, it's good enough to turn Q2 on. And BLUE is Vcc, both 500nS/div:

Then I insert a BD244C as Q2: RED Q2 Base, BLUE Vcc, both 500nS/div:

As you can see the noise on the Vcc is enhanced, and the base pulse is starting to crap out.
Then I put in a B772 as Q2, and then I get this:

And the base pulse is nearing the Vcc in both shape and form.
So the question is:
1. Why can't I maintain a rock steady switching pulse? And how do I do it?
2. And how do I eliminate the noise/crud on the Vcc?
I have a serious problem with my Q2 switching transistor, it's destroying the switching pulse and creating crud on the Vcc. Please have a look at my awesum schematic, you would think I couldn't mess it up, but I did:
If I yank out Q2, then RED is the signal on where the base was, it's good enough to turn Q2 on. And BLUE is Vcc, both 500nS/div:

Then I insert a BD244C as Q2: RED Q2 Base, BLUE Vcc, both 500nS/div:

As you can see the noise on the Vcc is enhanced, and the base pulse is starting to crap out.
Then I put in a B772 as Q2, and then I get this:

And the base pulse is nearing the Vcc in both shape and form.
So the question is:
1. Why can't I maintain a rock steady switching pulse? And how do I do it?
2. And how do I eliminate the noise/crud on the Vcc?
Last edited:




