Switching Current Spikes?

Thread Starter

emaq

Joined Sep 17, 2015
8
For the dc-dc converter circuit and waveforms attached, I have the following questions for the switching current spikes. The implementation detail is as under.

Switching Frequency: 100 kHz
Duty cycle: 80 %
MOSFETS are driven by MC33152 (https://www.onsemi.com/pub/Collateral/MC34152-D.PDF) with 6.5 V peak voltage.
MOSFET: IRFP260N
Average switch current: 12 A
1st (top) waveform: switch S1 current
2nd waveform: switching signal for switch S1
3rd (bottom) waveform: switching signal for switch S2

1) Why these current spikes appear in the switch current? Are they usual or unusual? Any IEEE reference in past 5 years that have discussed the origin of these spikes.
2) How these current spikes can be reduced, if the actual reason is known?

BTW, the drain-source voltage waveform of switch S1 is clean (no apparent voltage spikes).
 

Attachments

OBW0549

Joined Mar 2, 2015
3,566
Keep in mind that some of what you're seeing in those scope traces may be an illusion caused by the inductance of your scope probe's ground lead-- that is, the ringing may not actually be happening in your circuit, but instead showing up in your scope picture because the ground lead inductance is resonating with the probe's tip-to-ground capacitance, making a series resonant circuit.

When examining circuits with high-frequency signals, or signals with very fast risetimes, scope probes should always be grounded to the circuit through the shortest possible connection to avoid this problem.

For more explanation, see this thread.
 

Thread Starter

emaq

Joined Sep 17, 2015
8
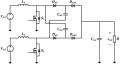
BTW forgot to mention that I don't have current probe (cannot afford) and measuring the current in terms of the voltage across a 0.02 Ω resistor (see the attached schematic). The resistor is a parallel combination of 5 0.1 Ω, 5 W resistors.

When examining circuits with high-frequency signals, or signals with very fast risetimes, scope probes should always be grounded to the circuit through the shortest possible connection to avoid this problem.
You suggest it is primarily the probe issue.
 

Attachments

Top