Hello all,
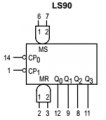
I've built a simple circuit with a SN7490 counter and a SM7447 BCD to 7-segment decoder, as well as the 7 segment display itself.
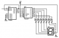
I've included a sketch of how it is all hooked up.
I've read through the data sheets, and thought I understood everything (I'm just learning all this stuff), but it doesn't work.
The BCD to seven-segment bit works great. (When I connect the ABCD input to high/low signals, the seven-segment displays just what I expect.)
When I connected the 7490 though -- it doesn't actually count.
All of the reset inputs are connected low.
Clk B is connected to QA (I would like it to count to 10, and this is what I understood from the data sheet should be done).
Clk A, I connected to ground with a 4.7k resistor, then would connect it to high/+ with hookup wire.
I expected that each time I connected the CLK A pin to +, the count would go up by one.
No such luck.
I played around a bit. If I put the resistor to pull-up, then connect CLK A to ground/low with my wire, it counts -- sort of -- it bounces around a lot. (I think it's bouncing because a couple of times, I got the count to go up by one, each time.
I thought this was strange.
Stranger still (I thought) even if I kept the resistor as a pull-down resistor, I could still get a count too (though, again, with a lot of bouncing).
Nothing I did would get it to count when I connected to high.
This should count up on a high signal correct? (It would seem so from the way CLK B should count when QA is high.)
I also tried a different battery (so I don't think that's the issue), and a different 7490 IC (though from the same batch, seemingly).
I'd really appreciate some help in figuring out what's going on here.
Thanks!
I've built a simple circuit with a SN7490 counter and a SM7447 BCD to 7-segment decoder, as well as the 7 segment display itself.
I've included a sketch of how it is all hooked up.
I've read through the data sheets, and thought I understood everything (I'm just learning all this stuff), but it doesn't work.
The BCD to seven-segment bit works great. (When I connect the ABCD input to high/low signals, the seven-segment displays just what I expect.)
When I connected the 7490 though -- it doesn't actually count.
All of the reset inputs are connected low.
Clk B is connected to QA (I would like it to count to 10, and this is what I understood from the data sheet should be done).
Clk A, I connected to ground with a 4.7k resistor, then would connect it to high/+ with hookup wire.
I expected that each time I connected the CLK A pin to +, the count would go up by one.
No such luck.
I played around a bit. If I put the resistor to pull-up, then connect CLK A to ground/low with my wire, it counts -- sort of -- it bounces around a lot. (I think it's bouncing because a couple of times, I got the count to go up by one, each time.
I thought this was strange.
Stranger still (I thought) even if I kept the resistor as a pull-down resistor, I could still get a count too (though, again, with a lot of bouncing).
Nothing I did would get it to count when I connected to high.
This should count up on a high signal correct? (It would seem so from the way CLK B should count when QA is high.)
I also tried a different battery (so I don't think that's the issue), and a different 7490 IC (though from the same batch, seemingly).
I'd really appreciate some help in figuring out what's going on here.
Thanks!
Attachments
-
249.2 KB Views: 26






