### *Update: (I updated the description/Question for clarity)*
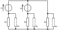
I am currently stuck trying to solve a seemingly simple resistive network. The voltages U1 and U2, aswell as Rr are known. The unknown components are the resistances R1, R2, R3.
The dotted resistances "Rr" can be added or removed as needed. The current through them is known, but the current through the unknown resistances is of course unknown.

These restrictions let me form three equations, which I would not call linear dependant. Here is the step by step approach:
# 1)

$$Ip_{1} = \frac{U_{1}}{Rr \left(\frac{1}{Rr} + \frac{1}{R_{1}}\right) \left(\frac{R_{1} Rr}{R_{1} + Rr} + \frac{1}{\frac{1}{R_{3}} + \frac{1}{R_{2}}}\right)} - \frac{U_{2}}{Rr \left(R_{2} + \frac{1}{\frac{1}{Rr} + \frac{1}{R_{3}} + \frac{1}{R_{1}}}\right) \left(\frac{1}{Rr} + \frac{1}{R_{3}} + \frac{1}{R_{1}}\right)}$$
# 2)

$$Ip_{2} = - \frac{U_{1}}{Rr \left(R_{1} + \frac{1}{\frac{1}{Rr} + \frac{1}{R_{3}} + \frac{1}{R_{2}}}\right) \left(\frac{1}{Rr} + \frac{1}{R_{3}} + \frac{1}{R_{2}}\right)} + \frac{U_{2}}{Rr \left(\frac{1}{Rr} + \frac{1}{R_{2}}\right) \left(\frac{R_{2} Rr}{R_{2} + Rr} + \frac{1}{\frac{1}{R_{3}} + \frac{1}{R_{1}}}\right)}$$
# 3)

$$Im = \frac{U_{1}}{Rr \left(R_{1} + \frac{1}{\frac{1}{Rr} + \frac{1}{R_{3}} + \frac{1}{R_{2}}}\right) \left(\frac{1}{Rr} + \frac{1}{R_{3}} + \frac{1}{R_{2}}\right)} + \frac{U_{2}}{Rr \left(R_{2} + \frac{1}{\frac{1}{Rr} + \frac{1}{R_{3}} + \frac{1}{R_{1}}}\right) \left(\frac{1}{Rr} + \frac{1}{R_{3}} + \frac{1}{R_{1}}\right)}$$
So I solve the equation system and get the following:
Solving above equations for R3 gives:
$$R3 = \left[ \frac{- Ip_{1} R_{1} R_{2} Rr + R_{1} R_{2} U_{1}}{Ip_{1} R_{1} R_{2} + Ip_{1} R_{1} Rr + Ip_{1} R_{2} Rr - R_{1} U_{1} + R_{1} U_{2}}\right]$$
$$R3 = \left[ \frac{- Ip_{2} R_{1} R_{2} Rr + R_{1} R_{2} U_{2}}{Ip_{2} R_{1} R_{2} + Ip_{2} R_{1} Rr + Ip_{2} R_{2} Rr + R_{2} U_{1} - R_{2} U_{2}}\right]$$
$$R3 = \left[ - \frac{Im R_{1} R_{2} Rr}{Im R_{1} R_{2} + Im R_{1} Rr + Im R_{2} Rr - R_{1} U_{2} - R_{2} U_{1}}\right]$$
Using these equations to solve for R2:
$$R2 = \left[ \ \frac{R_{1} U_{2} \left(- Ip_{1} Rr + Ip_{2} Rr + U_{1} - U_{2}\right)}{Ip_{1} R_{1} U_{2} + Ip_{1} Rr U_{1} - Ip_{2} R_{1} U_{1} - Ip_{2} Rr U_{1} - U_{1}^{2} + U_{1} U_{2}}\right]$$
$$R2 = \left[\ \frac{R_{1} U_{2} \left(- Im Rr - Ip_{1} Rr + U_{1}\right)}{U_{1} \left(Im R_{1} + Im Rr + Ip_{1} Rr - U_{1}\right)}\right]$$
Using these equations to solve for R1:
$$R1 = \left[ 0\right]$$
The result I get reduces to 0. There are more conditional solutions to this system, that I see, however. they do not produce reasonable results. Here are example values for testing purposes, generated in spice simulations.
R1=1e3
R2=3e3
R3=2e3
Ip1 = 12.068965e-3
Ip2 = 2.5862069e-3
Im = 25.86207e-3
U1 = 400
U2 = 300
Rr = 10e3
What could I be missing?
I am currently stuck trying to solve a seemingly simple resistive network. The voltages U1 and U2, aswell as Rr are known. The unknown components are the resistances R1, R2, R3.
The dotted resistances "Rr" can be added or removed as needed. The current through them is known, but the current through the unknown resistances is of course unknown.

These restrictions let me form three equations, which I would not call linear dependant. Here is the step by step approach:
# 1)

$$Ip_{1} = \frac{U_{1}}{Rr \left(\frac{1}{Rr} + \frac{1}{R_{1}}\right) \left(\frac{R_{1} Rr}{R_{1} + Rr} + \frac{1}{\frac{1}{R_{3}} + \frac{1}{R_{2}}}\right)} - \frac{U_{2}}{Rr \left(R_{2} + \frac{1}{\frac{1}{Rr} + \frac{1}{R_{3}} + \frac{1}{R_{1}}}\right) \left(\frac{1}{Rr} + \frac{1}{R_{3}} + \frac{1}{R_{1}}\right)}$$
# 2)

$$Ip_{2} = - \frac{U_{1}}{Rr \left(R_{1} + \frac{1}{\frac{1}{Rr} + \frac{1}{R_{3}} + \frac{1}{R_{2}}}\right) \left(\frac{1}{Rr} + \frac{1}{R_{3}} + \frac{1}{R_{2}}\right)} + \frac{U_{2}}{Rr \left(\frac{1}{Rr} + \frac{1}{R_{2}}\right) \left(\frac{R_{2} Rr}{R_{2} + Rr} + \frac{1}{\frac{1}{R_{3}} + \frac{1}{R_{1}}}\right)}$$
# 3)

$$Im = \frac{U_{1}}{Rr \left(R_{1} + \frac{1}{\frac{1}{Rr} + \frac{1}{R_{3}} + \frac{1}{R_{2}}}\right) \left(\frac{1}{Rr} + \frac{1}{R_{3}} + \frac{1}{R_{2}}\right)} + \frac{U_{2}}{Rr \left(R_{2} + \frac{1}{\frac{1}{Rr} + \frac{1}{R_{3}} + \frac{1}{R_{1}}}\right) \left(\frac{1}{Rr} + \frac{1}{R_{3}} + \frac{1}{R_{1}}\right)}$$
So I solve the equation system and get the following:
Solving above equations for R3 gives:
$$R3 = \left[ \frac{- Ip_{1} R_{1} R_{2} Rr + R_{1} R_{2} U_{1}}{Ip_{1} R_{1} R_{2} + Ip_{1} R_{1} Rr + Ip_{1} R_{2} Rr - R_{1} U_{1} + R_{1} U_{2}}\right]$$
$$R3 = \left[ \frac{- Ip_{2} R_{1} R_{2} Rr + R_{1} R_{2} U_{2}}{Ip_{2} R_{1} R_{2} + Ip_{2} R_{1} Rr + Ip_{2} R_{2} Rr + R_{2} U_{1} - R_{2} U_{2}}\right]$$
$$R3 = \left[ - \frac{Im R_{1} R_{2} Rr}{Im R_{1} R_{2} + Im R_{1} Rr + Im R_{2} Rr - R_{1} U_{2} - R_{2} U_{1}}\right]$$
Using these equations to solve for R2:
$$R2 = \left[ \ \frac{R_{1} U_{2} \left(- Ip_{1} Rr + Ip_{2} Rr + U_{1} - U_{2}\right)}{Ip_{1} R_{1} U_{2} + Ip_{1} Rr U_{1} - Ip_{2} R_{1} U_{1} - Ip_{2} Rr U_{1} - U_{1}^{2} + U_{1} U_{2}}\right]$$
$$R2 = \left[\ \frac{R_{1} U_{2} \left(- Im Rr - Ip_{1} Rr + U_{1}\right)}{U_{1} \left(Im R_{1} + Im Rr + Ip_{1} Rr - U_{1}\right)}\right]$$
Using these equations to solve for R1:
$$R1 = \left[ 0\right]$$
The result I get reduces to 0. There are more conditional solutions to this system, that I see, however. they do not produce reasonable results. Here are example values for testing purposes, generated in spice simulations.
R1=1e3
R2=3e3
R3=2e3
Ip1 = 12.068965e-3
Ip2 = 2.5862069e-3
Im = 25.86207e-3
U1 = 400
U2 = 300
Rr = 10e3
What could I be missing?