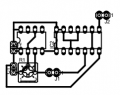
Having an issue with the circuit below:

The circuit generates a 50% duty cycle square wave at 500Khz. This is working. (The 555 is an ALD555 good up to 2Mhz).
The output of the Max4420 Mosfet driver has a big over/under shoot. There is no difference if the Mosfet is connected or not (J3 removed).

The input to the MAX4420 from the 40106 inverter looks like this:

Next I look at what is coming in to the 40106 from the 555: Their is a ground bounce or undershoot. If I remove J1 it is the same.

I tried a few different capacitors around the 555. I put a big low ESR cap at the regulator. I tried to keep the traces as short as possible.
I'm hoping someone has some insight on this flavor of pain. Thanks!

The circuit generates a 50% duty cycle square wave at 500Khz. This is working. (The 555 is an ALD555 good up to 2Mhz).
The output of the Max4420 Mosfet driver has a big over/under shoot. There is no difference if the Mosfet is connected or not (J3 removed).

The input to the MAX4420 from the 40106 inverter looks like this:

Next I look at what is coming in to the 40106 from the 555: Their is a ground bounce or undershoot. If I remove J1 it is the same.

I tried a few different capacitors around the 555. I put a big low ESR cap at the regulator. I tried to keep the traces as short as possible.
I'm hoping someone has some insight on this flavor of pain. Thanks!



