My company has vehicle trailers with built in lights. They worked fine with the Ford vans we had but with the new Citroens the lights are always on. Dimly when they should be off and then brighter when they should be on. Some basic investigation with a multimeter showed that the various positives deliver around 8.5V when the light should be off and 12V when they should be on.
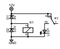
I am looking to block the current when the PD is below 9V to get the lights to function as expected. Is a zener diode with reverse breakdown voltage of, say 9V, going to do the job, or does the current only get driven at the voltage above breakdown (4V if source is 12V and breakdown is 9V, for instance). If so, maybe the zener is connected to the base of a MOSFET? Any help gratefully received, detailed diagrams and parts lists even more so! My understanding of electronics is modest at best.
Thanks in advance
I am looking to block the current when the PD is below 9V to get the lights to function as expected. Is a zener diode with reverse breakdown voltage of, say 9V, going to do the job, or does the current only get driven at the voltage above breakdown (4V if source is 12V and breakdown is 9V, for instance). If so, maybe the zener is connected to the base of a MOSFET? Any help gratefully received, detailed diagrams and parts lists even more so! My understanding of electronics is modest at best.
Thanks in advance

