Specification for DC supply
Voltage = 5V DC
Current = 20mA DC
Specification for 5V Relay
Trigger Voltage (Voltage across coil) = 5V DC
Trigger Current (Nominal current) = 70mA
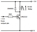
I don't think I can activate realy with 5V, 20mA DC supply. I found that I need transistor to drive relay.
I don't understand how to find out what voltage, current rating transistor I need to drive realy
Voltage = 5V DC
Current = 20mA DC
Specification for 5V Relay
Trigger Voltage (Voltage across coil) = 5V DC
Trigger Current (Nominal current) = 70mA
I don't think I can activate realy with 5V, 20mA DC supply. I found that I need transistor to drive relay.
I don't understand how to find out what voltage, current rating transistor I need to drive realy
