I'm reasonably new to electronics and would be grateful for any input that you could provide.
I'm designing some custom PCBs for installation into some props. They're largely "inspired by" a kit I bought a good few years ago. I've got about 90% of the design done with no problems, but need a little help to get it over the line.
1. Easy part first. Can you run two CD4017s from a single NE555? All of the tutorials I've come across so far deal with daisy chaining 4017s rather than having them both hooked up directly to the 555. It works well enough on the simulation, but are there any reasons what it wouldn't work in real life? As I understand it, the 555 isn't sending anything more than a simple clock pulse out, and since I'm happy to use that same timing on both 4017s I figure that should be ok?
2. LEDs. Most of the LEDs will have their own resistors. There is one set that all run off of a 4017 that I plan on just using a single common resistor though. I figure I can get away with this since only 1 LED will be illuminated at any given time. Am I missing anything with this line of thinking?
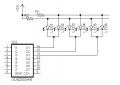
3. The big one. ULN2003. I've found very little useful (to a newb) information about this. As I understand it, the purpose in this type of scenario is to have a 4017 connected to the 2003 to allow the LEDs to pull more current than the 4017 is capable of. The simulation shows that I can just about get away with 2 LEDs on a single 4017 output, but that 3 would be too much. What I've managed to understand is that in addition to the higher output voltage and current that it's capable of, it will also amplify the current. Have I understood this correctly, and if so, does this mean that calculating the appropriate resistor values will be more complicated than the usual method?
Schematic attached as a PDF.
I'm designing some custom PCBs for installation into some props. They're largely "inspired by" a kit I bought a good few years ago. I've got about 90% of the design done with no problems, but need a little help to get it over the line.
1. Easy part first. Can you run two CD4017s from a single NE555? All of the tutorials I've come across so far deal with daisy chaining 4017s rather than having them both hooked up directly to the 555. It works well enough on the simulation, but are there any reasons what it wouldn't work in real life? As I understand it, the 555 isn't sending anything more than a simple clock pulse out, and since I'm happy to use that same timing on both 4017s I figure that should be ok?
2. LEDs. Most of the LEDs will have their own resistors. There is one set that all run off of a 4017 that I plan on just using a single common resistor though. I figure I can get away with this since only 1 LED will be illuminated at any given time. Am I missing anything with this line of thinking?
3. The big one. ULN2003. I've found very little useful (to a newb) information about this. As I understand it, the purpose in this type of scenario is to have a 4017 connected to the 2003 to allow the LEDs to pull more current than the 4017 is capable of. The simulation shows that I can just about get away with 2 LEDs on a single 4017 output, but that 3 would be too much. What I've managed to understand is that in addition to the higher output voltage and current that it's capable of, it will also amplify the current. Have I understood this correctly, and if so, does this mean that calculating the appropriate resistor values will be more complicated than the usual method?
Schematic attached as a PDF.
Attachments
-
35.1 KB Views: 14
-
1.9 MB Views: 27

