I need to create a driver to control a linear stepper motor. This motor should be used in diaphragm compressor. This motor should have a lot of torque. Brushed motors have a higher torque. Brushed motors have a collector. The windings of a brushed motor have low resistance. The resistance of a brushed motor increases as the rotor speed increases. Thus, brushed motors have a high torque due to the low resistance of the windings. Therefore, for a linear stepper motor to have a high torque, its windings must have low resistance. If the windings have low resistance, a voltage and current regulator is required to regulate the torque. If a diaphragm compressor is used as the load, close to 100% of the energy (the final efficiency will be much lower) will be used to pump or compress the air if current is supplied at each step to achieve the desired torque and other conditions are met. The linear stepper motor does not require a gearbox. Instead, it uses a lever system for adjustment.
As the distance between the magnets increases, the force of interaction decreases. Therefore, it is necessary to supply current to the stator winding whose axis is closest to the axis of the nearest magnet. If the magnets follow the same period as in the stator, then there will be the same distance and the same interaction force between each pair. Therefore, the follow period must be different.

The moving part of the electromagnets can move on a flexible wire. If the moving part is electromagnets, it can increase the torque compared to permanent magnets.
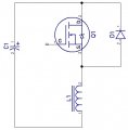
When the current supply to the electromagnet stops, the magnetic field begins to decrease and the voltage in the electromagnet coil increases. This voltage can break through the elements of the control circuit, which is why a diode is placed in parallel with the electromagnet coil. However, at a high frequency of operation of the electromagnet, this diode will heat up, and the efficiency may fall below 50% (due to the fact that more than 50% of the electrical energy will be spent in a short circuit through the reverse diode). Therefore, the energy must be returned to the power source.

With each cycle, the voltage on the capacitor will increase and may break down the control circuit elements. It is necessary to return energy not to the capacitor from which the driver MOSFETs are powered, but to the capacitor of the power supply.
I need a driver circuit for 3 stator electromagnets and 3 moving part electromagnets using mosfets IRFP4004. This should be a complete circuit including surge protection, power return to the power supply capacitor, MOSFET gate discharge (type of diode suitable for these MOSFETs)
As the distance between the magnets increases, the force of interaction decreases. Therefore, it is necessary to supply current to the stator winding whose axis is closest to the axis of the nearest magnet. If the magnets follow the same period as in the stator, then there will be the same distance and the same interaction force between each pair. Therefore, the follow period must be different.

The moving part of the electromagnets can move on a flexible wire. If the moving part is electromagnets, it can increase the torque compared to permanent magnets.
When the current supply to the electromagnet stops, the magnetic field begins to decrease and the voltage in the electromagnet coil increases. This voltage can break through the elements of the control circuit, which is why a diode is placed in parallel with the electromagnet coil. However, at a high frequency of operation of the electromagnet, this diode will heat up, and the efficiency may fall below 50% (due to the fact that more than 50% of the electrical energy will be spent in a short circuit through the reverse diode). Therefore, the energy must be returned to the power source.

With each cycle, the voltage on the capacitor will increase and may break down the control circuit elements. It is necessary to return energy not to the capacitor from which the driver MOSFETs are powered, but to the capacitor of the power supply.
I need a driver circuit for 3 stator electromagnets and 3 moving part electromagnets using mosfets IRFP4004. This should be a complete circuit including surge protection, power return to the power supply capacitor, MOSFET gate discharge (type of diode suitable for these MOSFETs)