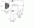
I have a spare 2000w 24v inverter. I have a ~600AH 24v battery bank connected to 800w of solar. I would like to supplement solar charging when my generator is running. Is there a way to make a charger out of the inverter? It should have a transformer to step 120v down to 24v, correct? I just purchased a 100A bridge rectifier. Would it be as simple as hooking the transformer to 120v, through the rectifier and then to the battery bank? I would like at least a 50A charge current that does not need to be automatically controlled. I can switch it on and off manually as needed. The biggest store bought chargers I have found are around 20-30A and cost upwards of $250. Seems like a lot for just a simple charger. Any ideas or links to people who have done this before? Thanks

