Not many MOSFETs will be fully ON at 3V.Hi Everyone,
I have a requirement for a variable 0.1 to 3 Volt high current PWM circuit.
Firstly would the attached circuit be suitable? and secondly;
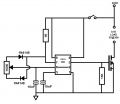
What mosfet would be suitable? assuming my circuit below; View attachment 331815


I have the PSU alreadyThe first thing to take care of is having a ~100-plus-Watt Power-Supply,
and a huge Storage-Capacitor in the ~100KuF -plus range.
Then figure-out how you're going to generate ~10 to ~15-Volts to fully turn on the Gate of the FET.
( Even a "Logic-Level" FET will usually require at least ~5-Volts for full Gate turn-on ).
.
.
.
I was going to suggest that a separate power supply to provide enough bias to do the required switching. Certainly the control will need a higher voltage and current.The first thing to take care of is having a ~100-plus-Watt Power-Supply,
and a huge Storage-Capacitor in the ~100KuF -plus range.
Then figure-out how you're going to generate ~10 to ~15-Volts to fully turn on the Gate of the FET.
( Even a "Logic-Level" FET will usually require at least ~5-Volts for full Gate turn-on ).
.
.
.
Use transistor IRF2903Z, $3.41 for 10 pcs/lot, $1.03 delivery.I use a small boost converter supplying a mosfet driver and force a couple of paralleled logic level mosfets into saturation in conjunction with the above 555 PWM circuit.

This is flippen brilliant ... Thanks @DankoUse transistor IRF2903Z, $3.41 for 10 pcs/lot, $1.03 delivery.
In circuit below, with V_IN=3 V, V_GS=17 V, I_D=33 A (at R_LOAD=0.09 Ω),
V_DS(on)=33 mV, so R_DS(on)=1mΩ, transistor dissipates about 1 W.
View attachment 332120
https://forum.allaboutcircuits.com/threads/cant-figure-this-circuit-out.201291/post-1916067