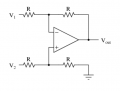
Hello. I've designed an non-inverting op amp circuit to amplify the output signal of a load cell, as the output signal of the load cell is only 3 mV/V. The load cell is an Omega LC101-5K S-beam load cell (https://assets.omega.com/pdf/test-and-measurement-equipment/load-and-force/load-cells/LC101.pdf); and the op amp is an LM358N (http://www.ti.com/lit/ds/symlink/lm358-n.pdf). I will attach photos of my calculations and circuit schematic below. The circuit of the load cell is a wheatstone bridge circuit, which was verified by a representative of Omega. I'm using a 24V source, and the white wire of the load cell (W) is isolated (as the rep told me to do).
According to my calculations, 1.25 V is what I want for Vout, and amplification (A) should be around 31. The unamplified output signal (the green wire or G) from the load cell was measured as 1.1 mV, measured between the green (G) and white (W) wires of the load cell. When I measured the voltage between the white wire (W) of the load cell and Vout (the amplified signal), I instead measured 5.54 V, rather than the 1.25 V I expected. However, I'm reading about 1.34 V between Vout and ground, which is what I thought I should be measuring between Vout and the white wire (W) of the load cell. Am I measuring from the voltages at the correct locations or am I missing something?
According to my calculations, 1.25 V is what I want for Vout, and amplification (A) should be around 31. The unamplified output signal (the green wire or G) from the load cell was measured as 1.1 mV, measured between the green (G) and white (W) wires of the load cell. When I measured the voltage between the white wire (W) of the load cell and Vout (the amplified signal), I instead measured 5.54 V, rather than the 1.25 V I expected. However, I'm reading about 1.34 V between Vout and ground, which is what I thought I should be measuring between Vout and the white wire (W) of the load cell. Am I measuring from the voltages at the correct locations or am I missing something?
Attachments
-
108.3 KB Views: 91
-
83.3 KB Views: 94
